![]() |
| 真空 镀膜 太阳能 半导体 石油石化 | ||||
| 煤炭冶金 制气配气 环保 各种仪器分析 |
资料下载
下载
https://mp.weixin.qq.com/s/GCGnE52pB9_DvmB33T0heQ
◆热式原理,精度更高,响应更快;带网口
◆管状分流,不易堵塞
ACU10FD 质量流量控制器由质量流量传感器,层流分层件,流量控制器调节阀和放大控制电路等部件组成。它利用流动流体传递热量改变测量毛细管壁温度分布的热传导分布效应而制成。
ACU10FD 采用毛细管传热前后温度差量热法原理测量气体的质量流量,不受温度压力的影响。将传感器测得的流量信号进行放大,然后与设定的电压进行比较,用所得的差值去驱动控制调节阀门,闭环控制流过通道的流量使之与设定的流量相等。
二、产品应用
| 玻璃行业 | 太阳能 | 大气监测 | 工业制作 | 石油石化 |
| 煤炭冶金 | 制气配气 | 环保 | 各种仪器分析 | |
三、产品参数
| 量程范围 | 300SLM~3000SLM |
| 测控范围 | 控制器阀控范围50:1 |
| 准确度 | ±1%F.S |
| 线性 | ±0.5%F.S |
| 重复精度 | ±0.2%F.S |
| 响应时间 | <2s |
| 数字量 | RS232/485,MODBUS协议 |
| 模拟量 | 0~5V、4-20mA、1~5V |
| 供电 | ±15VDC,24VDC |
| 工作温度 | 0~50℃ |
| 工作压力 | 工作压差:0.3~0.5Mpa |
| 最大耐压 | 3MPa/10MPa |
| 电气连接 | DB15孔 |
| 漏率 | 1×10-9SCCSHe |
| 温度系数 | ±0.025%F.S/℃ |
| 底座材质 | 不锈钢 |
| 密封材质 | 氟橡胶,氯丁橡胶,丁腈橡胶 |
| 接头 |
φ12,法兰安装 |
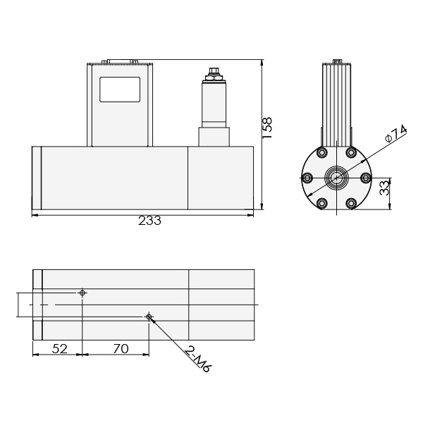
四、产品尺寸图
五、可选配套测控软件 (另外收取费用)
ACU10FA-LM模拟型质量流量计(低量程 5SCCM~30SLM)
ACU10FA-LC模拟型质量流量控制器(低量程 5SCCM~30SLM)
ACU10FA-MM模拟型质量流量计(中量程 30SLM~150SLM)
ACU10FA-MC模拟型质量流量控制器(中量程 30SLM~150SLM)
ACU10FD-LM数字型质量流量计(低量程 100SCCM~30SLM)
ACU10FD-LC数字型质量流量控制器(低量程 100SCCM~30SLM)
ACU10FD-MM数字型质量流量计(中量程 30SLM~300SLM)
ACU10FD-MC数字型质量流量控制器(中量程 30SLM~300SLM)
ACU10FD-BM数字型质量流量计(大量程 500SLM~3000SLM)
ACU10FD-BC数字型质量流量控制器(大量程 500SLM~3000SLM)
ACU10FD-B质量流量计/质量流量控制器 产品选型表 (添加
11048 69159 、29145 69088 或 
186 1279 0707 、186 1279 0733 帮您选型)
|
系列号 |
ACU10FD-B |
| 产品类型 | 【C】质量流量控制器 【M】质量流量计 |
| 耐压范围 | 【M】3MPa 【Z】10MPa(仅限流量计) |
| 现场显示状况 | 【N】不带液晶显示 【X】带液晶显示 |
| 流量范围 |
【300L】300SLM 【1000L】1000SLM 【2000L】2000SLM 【3000L】3000SLM |
| 被测介质 |
详见密度参照表 |
| 流量输入信号 | 【A1】0~5VDC 【A2】4~20mA 【A3】1~5VDC |
| 输出信号 |
【B1】0~5VDC 【B2】4~20mA 【B3】1~5VDC |
| 供电电压 | 【5】±15VDC 【4】24VDC |
| 通讯方式 | 【8】RS485 【2】RS232 |
| 密封材质 | 【V】氟橡胶 【T】丁腈橡胶 【N】氯丁橡胶 【Y】其他 |
| 使用接头 | 【E】φ12 【L】法兰安装 【Y】其他与厂家联系 |
| 选型举例 |
ACU10FD-B C M 1000L 007 A1 B1 5 8 V E |