![]() |
资料下载
下载一、产品概述
ACU10P系列压力控制器/压力计为直通式设计,测量范围从100KPa到10MPA(绝压和表压皆可)。此外,还提供差压变送器。该系列仪表精确度高、重复性好,分为前压控制和背压控制两种。
ACU10P系列标配一个压电膜片式压力传感器和数字电路板,提供高精度、稳定、可靠的压力测量和控制。该基本数字PC板具有测量和控制所需的所有基本功能。除了配备标准的RS485输出信号,ACU10P还提供模拟I/O信号。
(ACU10P-BC 压力控制器)
二、产品应用
ACU10P压力控制器可装配一体式控制阀或分体式控制阀。它是一种比例式电磁控制阀,具有超快和平稳控制的特性。我们有不同系列的控制阀对应特定的应用领域。常规应用下,使用标准的直动阀,高流速应用下,使用先导阀。
应用领域:半导体工艺,气相和液相色谱仪,MOCVD过程中蒸汽压力控制,挤塑成型过程中气体压力保护控制,高压釜/反应釜压力控制等。
三、产品参数
| 技术参数 | 精度(包括线性和滞后性) | ±1%F.S | |||
| 压力量程比 | 压力计 | 1:50 | |||
| 压力控制器 | 1:20 | ||||
| 重复性 | ≤0.1% | ||||
| 传感器响应时间 | 0.2s | ||||
| 控制稳定性 | ≤±0.05%F.S(测定条件:1 L/min N2) | ||||
| 运行温度 | -10~+70℃ | ||||
| 温度敏感性 | 0.1%FS/℃ | ||||
| 漏率 | 1×10-9 SCCS He | ||||
|
方位影响度 (90°变化) |
<0.03 KPa(绝压/表压传感器) | ||||
| <0.6 KPa(差压传感器) | |||||
| 预热时间 | 忽略不计 | ||||
| 机械部件 | 材质 | 不锈钢 | |||
| 工艺连接 | G3/8" | ||||
| 密封材质 | 氟橡胶/丁腈橡胶/氯丁橡胶/其他 | ||||
| 防护等级(外壳) | IP40 | ||||
| 电气特性 | 电源 | 15~24Vdc | |||
| 数字输出 | RS485/RS232 | ||||
| 电气连接 | DB15 | ||||
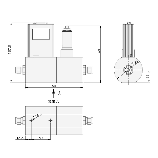
四、产品尺寸图
ACU10P-BC 压力控制器(大量程:1MPa~10MPa)
(ACU10P-BC压力控制器)
五、可选配套测控软件 (另外收取费用)
ACU10P-B压力控制器 选型表 (添加
11048 69159 、29145 69088 或 
186 1279 0707 、186 1279 0733 帮您选型)
|
系列号 |
ACU10P |
| 产品类型 | 【C】压力控制器 【M】压力计 |
| 压力类型 | 【A】绝压 【G】表压 |
| 耐压范围 | 【M】3MPa 【Z】10MPa(仅限压力计) |
| 现场显示状况 | 【N】不带液晶显示 【X】带液晶显示 |
| 压力范围 |
【001M】1MPa 【005M】5MPa 【010M】10MPa |
| 被测介质 |
详见密度参照表 |
| 流量输入信号 | 【A1】0~5VDC 【A2】4~20mA 【A3】1~5VDC |
| 输出信号 |
【B1】0~5VDC 【B2】4~20mA 【B3】1~5VDC |
| 供电电压 | 【5】±15VDC 【4】24VDC |
| 通讯方式 | 【8】RS485 【2】RS232 |
| 密封材质 | 【V】氟橡胶 【T】丁腈橡胶 【N】氯丁橡胶 【Y】其他与厂家联系 |
| 使用接头 | 【E】φ12 【L】法兰安装 【Y】其他与厂家联系 |
| 选型举例 |
ACU10P M A M N 100K 007 A1 B1 5 8 V E |